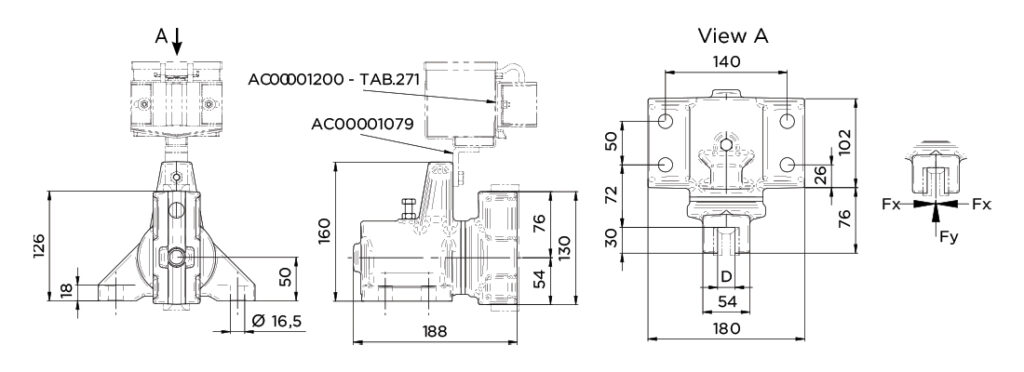
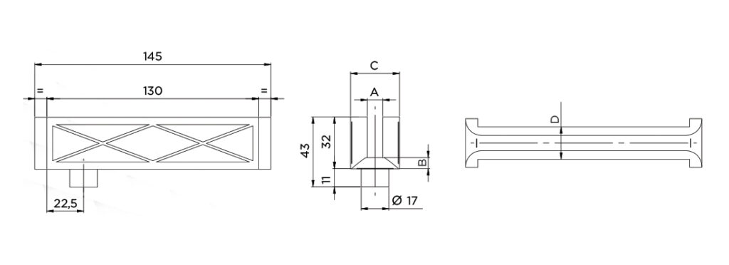
Guide equipment
TAB 220
Data | P | D | I | N | FX MAX | FY MAX |
|---|---|---|---|---|---|---|
MM | MM | MM | MM | N | N | |
TAB 220 | 160 | 24 | 28 | 78 | 2080 | 4800 |
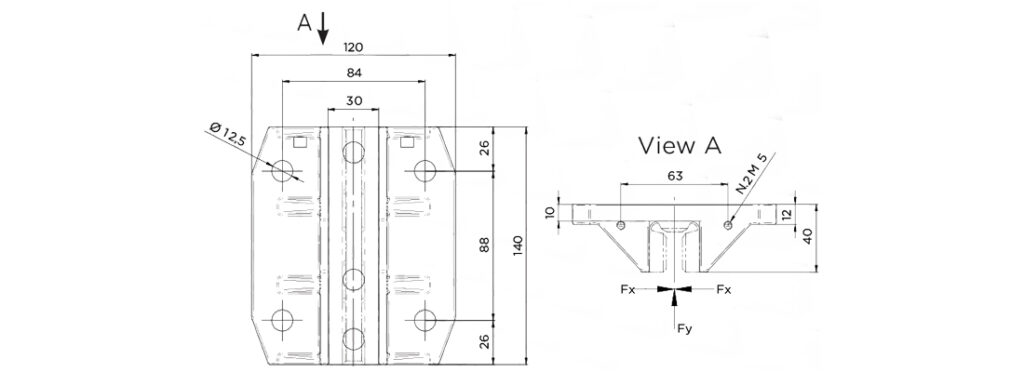
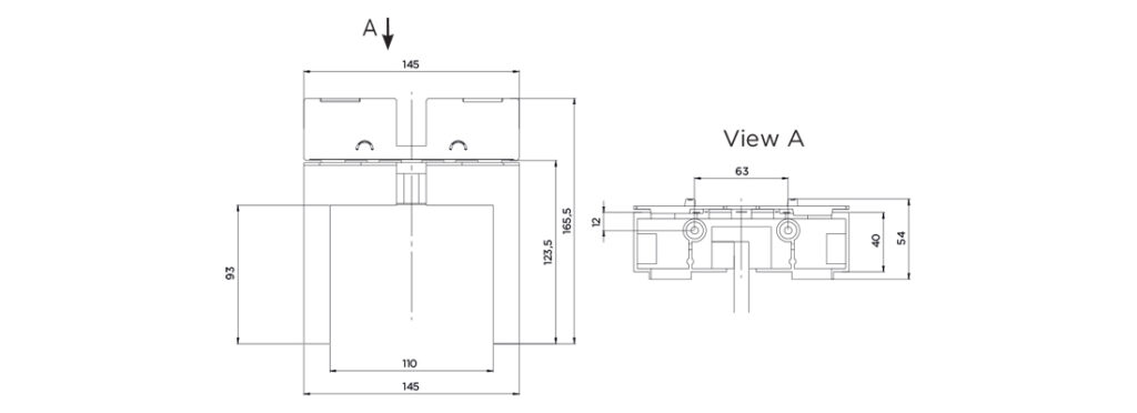
TAB 230
Data | D | FX MAX | FY MAX |
|---|---|---|---|
MM | MM | MM | |
TAB 230 | 24 | 8820 | 17500 |
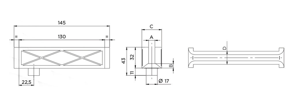
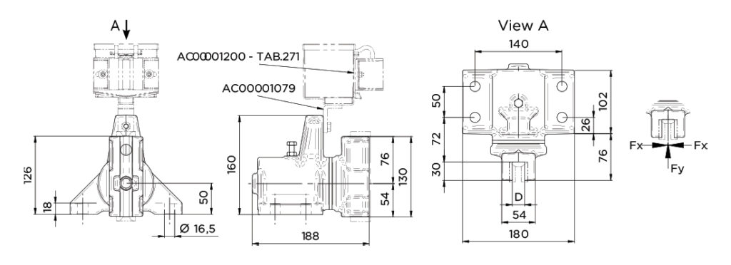
TAB 250
Data | A | B | C | D |
|---|---|---|---|---|
MM | MM | MM | MM | |
TAB 250 | 16.5 | 5 | 32 | 24 |
TAB 255
Data | PO | FX MAX | FY MAX |
|---|---|---|---|
MM | N | N | |
TAB 255 | 5-6-7-8-9-10-11-12-13-14-15-16 | 10800 | 8600 |
TAB 260
Data | Guiderails | S |
|---|---|---|
MM | N | |
TAB 260 | 16 | 16.5 |
TAB 270
Want to consult and download our price list, certifications and drawings in the DXF and 3D STEP formats?
You will find everything in your private area
Do you already know what you need?
If you want to submit an order, download the forms here, fill them out and send them to us.
